
說說BNC轉VGA視頻轉換器的那些應用領域
0 評論
/
若是有人問您BNC轉VGA視頻轉換器的應用領域有哪些,不知道您是否能完整的答出來,在下文中,德索bnc接頭網的工程將會針對此款轉換器的應用領域總結一些內容,您可以認真閱讀一下。
安防領域:搭配PC顯示器,達到并超過監視器的效果,大量降低成本…

BNC轉VGA視頻轉換器怎么轉換的
/
假如現在問您BNC轉VGA視頻轉換器的轉換原理,您能回答出來多少內容,對于BNC轉VGA視頻轉換器怎么轉換的這個問題,下文中德索bnc接頭網的工程師將會具體闡述,您可以認真閱讀一下相關內容。
BNC轉VGA視頻轉換器轉換原理是什么呢?BNC轉VGA視頻轉換器可以將BNC視頻信號源無損失轉換成VGA信號,并且可以調節節目源亮度、對比度等參數,使您的節目源輕松完美轉換。
功能簡介
1:運動優化
讓疾速運動的畫面同樣自然清晰;
2:色彩優化
進一步提高畫面對比度,讓畫面呈現層次豐富的暗部色彩
3:數碼降噪
將畫面輪廓及細節進一步銳化,令影像更加清晰逼真。
采用3D補償專利技術將清晰生動的畫面栩栩如生地展現在您的面前。在觀看轉換監控安防能清晰再現。有效消除快速運動畫面的抖動和拖尾現象。同時,紅、綠、藍三原色的完美還原。使普通LCD顯示器堪比LCD監視器。
這款使用工業設計標準,功耗比前一代設備少25%,發熱量明顯比前一代設備少30%。通過老化測試等我們發現新一代更可以適合長時間不間斷工作。穩定而高性能BNC轉VAG系類產品用工業設理念,設計充分考慮客戶所需求。不但具備圖像凍結的功能,操作字幕提示,更加具備斷電自動保存工作狀態等。
閱讀完上文之后,您對于“BNC轉VGA視頻轉換器怎么轉換的”應該有一定的認識了,想要更深入的了解BNC轉VGA視頻轉換器的內容,可以發送郵件給我們的工程師,我們會第一時間給您最專業的回復。德索bnc接頭網所有產品均通過ISO認證,來自十三年研發、生產經驗的德索公司,廣大客戶可以放心選購。
本文來源:http://m.koair.cn/changshi/456/

BNC轉VGA視頻轉換器基本知識
/
您對于BNC轉VGA視頻轉換器的知識了解多少,一名電子元器件行業的從業人員,應該多多了解一些BNC轉VGA視頻轉換器基礎知識,只有我們自己對行業產品都有所涉獵,才能更好的輔助我們采購相關產品時做更好的決策。下面德索bnc接頭網的工程師將為您介紹一下BNC轉VGA視頻轉換器的基本知識。
監控信號BNC轉VGA視頻轉換器便能輕松實現各種視頻中BNC數字信號轉VGA模擬信號,如視頻轉換器就能實現S端子轉VGA、BNC轉VGA、AV轉VGA信號,這款視頻轉換器采用了獨有的視訊直通技術,將AV/BNC或者S-VIDEO信號源無損失轉換成VGA信號,廣發運用于安防監控,連接攝像機,硬盤錄像機等監控視頻設備到電腦顯示器,并用顯示器代替監視器使用。
BNC接口BNC接頭,是一種用于同軸電纜的連接器,全稱是Bayonet…

BNC接頭網售后服務及保障
/
第一、BNC接頭網所有產品均可享受一年內質保權利,一般情況,產品插拔力均大于500次。
第二、BNC接頭網所有BNC產品均由德索電子提供,通過ISO認證,質量符合國內及國際產品要求。
第三、BNC接頭網僅展示了部分商品,更全更新的產品還未來得及上傳,可以聯系我們的客戶,領取產品附件以及對應報價單。
bnc接頭網,作為國內首家專業bnc采購平臺,提供各種BNC產品個性化需求定制服務,只要您的需求不違背產品設計原理,德索BNC接頭網均可滿足。我們在BNC的研發、生產、銷售方面,已經有十三年的生產經驗,多年的積累,讓我們可以輕松解決BNC設計、生產方面的各種難題。
線材也好,轉接頭也罷,接頭接口也行,您想要的BNC產品這里全都有。購買bnc系列產品,撥打電話:0769-81153906。購買平臺:http://m.koair.cn/。

bnc接頭網產品來源公告
/
bnc接頭網所有產品均來自德索電子,本網展示的bnc接頭、bnc線纜、bnc轉接頭產品并非全部,如果您沒有找到心儀的產品,可以直接撥打我們的電話:0769-81153906,我們會免費為您提供產品詳情報價單以及樣品傳輸。
德索電子是專業的BNC接頭生產廠家,2005年成立,有著十三年的BNC生產研發經驗,產品過ISO認證,包含了BNC連接器、BNC轉接頭和BNC組裝線材等,廣泛應用于高清視頻、安防監控、天線、無線設備等各個領域。
概念介紹:
BNC接頭,主要用于同軸電纜,全稱Bayonet…

德索BNC接頭網宗旨及圖片版權聲明
/
BNC接頭網(http://m.koair.cn/),以BNC產品為主題,旨在做一個專業的bnc接頭采購供應平臺,滿足廣大客戶的bnc產品采購需求。
本網圖片均來自團隊人員精心實物拍攝,版權歸東莞市德索五金電子有限公司所有,盜圖請慎重,未經允許,不得使用。
BNC接頭網所有產品通過ISO認證,質量合格靠譜,一年內可進行質保,廣大客戶可放心購買。BNC接頭網采購VIP熱線:0769-81153906。
德索bnc接頭產品展示:http://m.koair.cn/gongtoumutou/

2m接頭和bnc接頭的區別
/
您對于2m接頭和bnc接頭的區別知道多少,對于這個問題,作為一名元器件從業者應該有一些基本的認識,下面BNC接頭網的小編將會為您介紹一下2m接頭和bnc接頭二者的區別。
2M線接頭就是終結2M線,或者說2M線成端用的。豎著是正常狀態,連接傳輸設備和主設備。橫著是自環狀態,上橫一般是對主設備端自環,下橫一般是對傳輸設備自環,排障時經常這樣連.
BNC接頭是監控工程中用于攝像設備輸出時導線和攝像機的連接頭。有別于普通15針D-SUB標準接頭的特殊顯示器接口。由RGB三原色信號及行同步、場同步五個獨立信號接頭組成。
閱讀完上述內容之后,倘若您對于“2m接頭和bnc接頭的區別”還有疑惑的話,可以直接咨詢我們的工程師,他們會為您進行答疑解惑。最后,希望所有客戶能夠采購到適合自己的產品,更多BNC系列產品,BNC接頭網會持續上線。BNC接頭網所有產品均有知名制造企業德索電子提供,產品通過ISO認證,值得信賴。
本文來源:http://m.koair.cn/changshi/303/

BNC接口的一般特性都在這里了
/
說BNC接口,很多客戶都知道是什么東西,但若是問他們BNC接口的一般特性是什么,估計能答上來的沒有幾個。下面小編就整理收集了一些BNC接口的一般特性這方面的內容,讓大家更好的了解BNC接口產品的屬性,從而幫助到客戶們的采購決策。
BNC接口的一般特性包含了頻率范圍、接觸電阻、絕緣電阻、介質耐壓、電壓駐波比、連接器耐久性、中心接觸件、殼體和其它金屬零件、絕緣體、線夾、密封圈這些方面的知識,下面一起來看看吧。
頻率范圍:0~2GHz
接觸電阻:內導體…

高溫溶氧電極bnc接頭是指什么
/
高溫溶氧電極bnc接頭知識您了解多少,對于很多客戶來說,可能并不清楚高溫溶氧電極bnc接頭是指什么,故而小編就整理收集了一些這方面的內容,幫助大家掃盲,不用感謝小編額,一起來開始進入正文吧。
高溫溶氧電極bnc接頭是指什么鹵代溶劑可能含有微量的酸性雜質,能與HPLC系統中的不銹鋼反應。鹵代溶劑與水的混合物比較容易分解,不能存放太久。鹵代溶劑(如CCl4、CHCl3等)與各種醚類(如乙醚、二異丙醚、四氫呋喃等)混合后,可能會反應生成一些對不銹鋼有較大腐蝕性的產物,這種混合流動相應盡量不采用,或新鮮配制。
此外,鹵代溶劑(如CH2Cl2)與一些反應性有機溶劑(如乙腈)混合靜置時,還會產生結晶。總之,鹵代溶劑最好新鮮配制使用。如果是和干燥的飽和烷烴混合,則不會產生類似問題。
閱讀完上述內容之后,您對于“高溫溶氧電極bnc接頭是指什么”還存在疑惑的話,可以向bnc接頭網發送郵件咨詢您想要咨詢的問題,我們的工程師時間會及時給您專業的答復。如果您有BNC接頭、BNC線材、BNC轉接頭等相關產品的采購需求,可以撥打我們的電話0769-81153906。
本文來源:http://m.koair.cn/changshi/280/

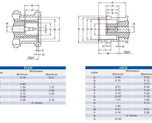
德索BNC連接器技術性能&規格參數
/
在下文中,主要會展示德索五金電子bnc連接器的圖紙信息、電器性能、機械性能、環境性能四個方面的內容,旨在幫助客戶更好了解我們的產品。購買具體的產品,可以進入產品頻道查看每一款產品的詳細參數。
BNC連接器產品界面
第一、電氣性能
阻抗:…
