德索BNC連接器技術性能&規格參數
在下文中,主要會展示德索五金電子bnc連接器的圖紙信息、電器性能、機械性能、環境性能四個方面的內容,旨在幫助客戶更好了解我們的產品。購買具體的產品,可以進入產品頻道查看每一款產品的詳細參數。
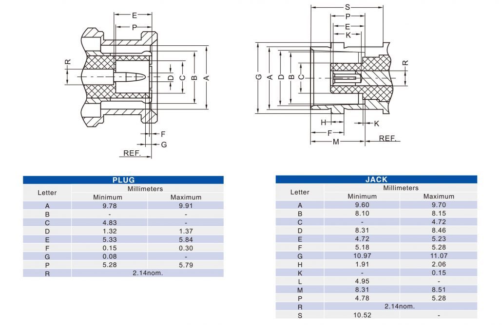
BNC連接器產品界面
第一、電氣性能
阻抗: 50 ohm/75ohm
頻率范圍:50 ohm 為 0~4 GHz / 75 ohm 為 0~1 GHz
電壓駐波比:直式 ≦ 1.22/3GHz / 彎式 ≦ 1.30/3GHz
耐電壓:1500 V rms
工作電壓:500 V rms
中心接觸電阻:≦ 1.5 mΩ (Milliohms max.)
外接觸電阻:≦ 2.0 mΩ (Milliohms max.)
絕緣電阻:≧5 × 103 mΩ (Milliohms min.)
第二、機械性能
耦合方式:卡口連接
保持力:6 lbs min.
配接耐久性:≧500 cycles
第三、環境性能
溫度范圍:Teflon -55oC~+155oC / POM -40oC~+60oC
螺母鎖定保持力:100 lbs. min.
振動:MIL-STD-202 Meth. 204
抗腐蝕性:MIL-STD-202 Meth. 101
本文來源:http://m.koair.cn/news/276/



發表評論
Want to join the discussion?Feel free to contribute!