bnc母頭焊線式同軸連接器直式180度接線

料號:?EB-001-0130
標簽:BNC連接器,RF連接器,直式,180度,母頭,焊接式,同軸線纜
材料:鍍鎳
產品特點:

  • ISO認證廠家,產品品質達到ROHS、UL、REACH標準;

  • 廠家直銷批發價格,免費提供樣品測試;產品可根據材質和性能要求定制;

  • 依據國際MIL-C-39012,CECC22120和IEC60169-8標準生產。產品設計合理緊湊,減少安裝空間;

  • 卡口式連接方式,便于快速插拔使用,方便快捷;



產品規格
溫度范圍 -55~+155°C(PE?Cable?-40~+85°C)
環境溫度 ≦95%(40°C±2°C)
特性阻抗 75Ω
頻率范圍 DC~3GHz
工作電壓 500Vr.m.s
耐壓 1500Vr.m.s
中心接觸電阻 <=1.5mΩ
外導體電阻 <=1mΩ
絕緣電阻 >=?5000?MΩ
中心導體保持力 >=?0.57N
插入損耗 0.20dB/3GHz
電壓駐波比?直式 <=1.22/3GHz
電壓駐波比?彎式 <=1.30/3GHz
耐用性 >=500次

注釋:具體規格參考圖紙

類型 材料 表面處理
主體 鍍鎳
絕緣體 POM 白色
中心針 黃銅 鍍鎳
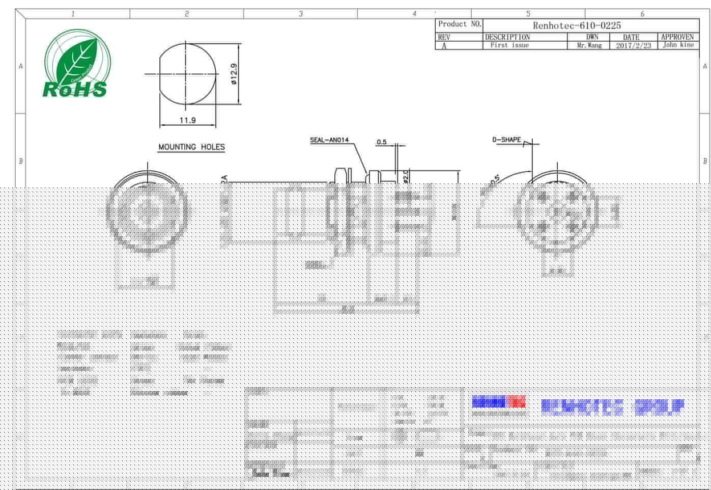
產品圖紙

bnc母頭焊線式同軸連接器直式180度接線

包裝與運輸
發貨地 廣東省東莞
付款方式 支付寶、微信、銀行匯款
常規交貨期 7-10天
運輸方式 快遞/物流
包裝方式 吸塑盒+紙箱/?PE袋+紙箱
箱規 39.5*24.5*19.5cm
49.5*24.5*19.5cm
47*41*21cm
34*34*30cm